ここから本文です
乾電池で駆動!小型機器向け超小型リニアアクチュエータを発売
2014年04月23日
セイコークロック株式会社
セイコークロック株式会社(本社:東京都江東区 代表取締役社長 萩原健二)は、電池で駆動する超小型リニアアクチュエータを開発し2014年4月下旬よりサンプル出荷をいたします。
最大の特徴はコンパクトなサイズと低電流・低電圧(3V)で長時間駆動可能な点で、今まで電気工事を必要とするため装着が困難とされた場所での使用が可能となります。
当製品には当社が独自開発したDCマイクロギヤードモータ80800(サイズ:φ6mm×20mm)が搭載されており省スペース設計ながら高い駆動効率を実現しました。
またオプションとして、位置決め管理のためのセンサー基板を内蔵した機種も用意しています。
用途としては各種電気錠のほか、ロボット、家庭用電気機器、介護機器、計測機器などが想定される上、NFC、Bluetooth等の通信機器やインターネット接続するネットワーク機器と併用することで更に多くのアプリケーションへの対応が可能です。
セイコークロックは時計で培った精密加工技術を活かし今後も様々なソリューションの提供に注力していきます。
商品の特長
- 小型・軽量
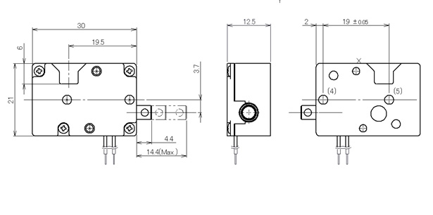
- サイズ 30×21×12.5mm,重量:10g
- 省エネ
- 定格負荷(DC3V、80mA)にて電池(リチウム電池)1個で駆動可能
- 高出力、低速・高速に対応可能
- LA002 2段ギア:1.5N 150gf、 10mm/sec
LA003 3段ギア: 7N 700gf、 2mm/sec
一般的なソレノイドでは困難な直動距離10mmを達成。加えて自由な取り付け位置に
対応可能。ハイスピード・高トルクを実現。
主な用途
電気錠、家庭用電気機器、ロボット、介護機器、計測器等
サンプル価格
超小型リニアアクチュエータ LA002/LA003 10,000円/税抜き
サンプル出荷時期
2014年4月下旬より出荷開始
販売数量
5万個/初年度
オプションとして今後投入予定。
[位置決め管理センサー内蔵超小型リニアアクチュエータ]
位置特定が可能になるため、より複雑な制御が可能。
投入時期: 2014年8月(予定)
機種名/Model LA002/LA003
| 構造 | DC コアレスモータ+リードスクリュー | |
| サイズ | 本体 巾30×高さ21×厚さ12.5 mm シャフト長(萎縮時) 4.4 mm シャフト長(伸長時) 14.4 mm 最大ストローク 10 mm |
|
| 重量 | 10g | |
| 材質 | エンジニアリングプラスチック | |
| 電気特性 | 動作電圧範囲 最大電流 |
2.6~3.4V 300 mA以下 |
| 標準使用条件 | 定格電圧 定格電流 定格負荷 定格動作速度 |
3 V 80mA LA002 2段減速 1.5N LA003 3段減速 7N LA002 2段減速 10mm/s LA003 3段減速 2mm/s |
| 使用温度範囲 | -10℃~+50℃ | |
外寸図

この件に関するお問い合わせ
Battery-operated micro linear actuator for small equipment coming soon!
SEIKO Clock Inc.
SEIKO Clock Inc. (Head office: Koto-ku, Tokyo; President: Kenji Hagiwara) has developed a micro linear actuator operated by a dry cell battery, and will start shipping samples from April 2014.
The best features of this product are compact size and long-time continuous operability with low current and low voltage (3V); these allow its use even in places where installation would otherwise be difficult because of requiring AC electrical work.
This product is equipped with our uniquely developed DC micro gear 80800 (size: φ6mm × 20mm), whose space-saving design realizes high drive efficiency.
As a variant, a model with a built-in sensor on electric circuit board for precise positioning control will be also provided.
This product is expected to be incorporated in various electric locks as well as in robots, home appliances, nursing care products, meters, etc. Combining it with communication equipment such as NFC and Bluetooth and with networking devices to connect to the Internet will enable its use in even more applications.
SEIKO Clock Inc. will continuously focus on providing various solutions by utilizing its precise machining technology developed for clocks.
Features of product
- Small size / light weight
- 30 × 21 × 12.5mm size, 10g weight
- Energy saving
- Operable by one dry cell (lithium battery) with rated load (DC 3V, 80mA)
- Supports high output load and both low- and high-speed operation
- LA002 2-stage gear: 1.5N 150gf, 10mm/sec
LA003 3-stage gear: 7N 700gf, 2mm/sec
Its linear motion distance is as high as 10mm, which is difficult for general solenoids.
It provides both high speed and high torque. Also, it is installable at any location.
Major applications include
Electric locks, household appliances, robots, nursing care products and meters, etc.
Price of sample unit
JPN YEN 10,000 (w/o tax)
Sample shipment time
Starting from the middle of April 2014
Sales quantity
50,000 pieces/first year
The following will be released as a variant in the near future.
[Micro linear actuator with built-in precise positioning control sensor]
This product allows precise positioning and more complicated control.
Release time: August, 2014 (planned)
Model cal.LA002/LA003
| Structure | Feed Screw Operated By φ6mm DC Coreless Gear Motor | |
| Size | W 30×H 21×L 12.5 mm Max. Stroke Length 10 mm |
|
| Weight | Approx. 10g | |
| Materials | Engineering Plastics | |
| Electrical Characteristic | Operating Voltage Range Allowable Maximum Current |
2.6~3.4V 300 mA |
| Rating Characteristics |
Rated Voltage Rated Current Rated Load Rated Speed |
3 V 80mA LA002 2-stage gear 1.5N(150gf) LA003 3-stage gear 7N(700gf) LA002 2-stage gear 10mm/s LA003 3-stage gear 2mm/s |
| Operating Temperature |
-10℃~+50℃ | |
External View

